(一) 浸(jin)錫過(guo)程及(ji)各部(bu)作用(yong)
1、浸錫(xi)過程(cheng):
浸錫(xi)治具(ju)安裝(zhuang)→噴霧(wu)→預熱(re)→一次(ci)波峰(feng)→二次(ci)波峰(feng)→冷卻(que)。
2、各部(bu)作用(yong):
2.1 浸錫(xi)治具(ju):防翹(qiao)、防浮(fu)、防斜(xie)。
防翹(qiao)治具(ju):可以(yi)限制(zhi)基闆(pan)受熱(re)形變(bian)的程(cheng)度,防(fang)止冒(mao)🈲錫現(xian)象的(de)發生(sheng)。治具(ju)上沾(zhan)附的(de)少許(xu)助焊(han)劑,可(ke)以驅(qu)除滞(zhi)留在(zai)波峰(feng)表面(mian)的髒(zang)物,從(cong)而确(que)保浸(jin)錫效(xiao)果的(de)穩定(ding)。防浮(fu)、防斜(xie)治具(ju):可以(yi)消除(chu)部品(pin)浮斜(xie)的隐(yin)患,減(jian)少後(hou)工程(cheng)的修(xiu)理動(dong)作。
2.2 噴(pen)霧系(xi)統:完(wan)成助(zhu)焊劑(ji)的自(zi)動塗(tu)布。
2.2.1 助(zhu)焊劑(ji)在浸(jin)錫過(guo)程中(zhong)的作(zuo)用:助(zhu)焊劑(ji)中的(de)主要(yao)成份(fen)✊是松(song)香。松(song)香在(zai)适當(dang)的溫(wen)度下(xia)會不(bu)斷的(de)擴散(san)、揮💁發(fa)。從而(er)驅使(shi)溶解(jie)在其(qi)中的(de)雜質(zhi)以及(ji)阻礙(ai)它擴(kuo)散的(de)異物(wu)移動(dong)。因此(ci),它可(ke)以消(xiao)除基(ji)闆銅(tong)♌箔表(biao)面的(de)異🔞物(wu),驅除(chu)波峰(feng)面滞(zhi)留的(de)氧化(hua)物,使(shi)焊接(jie)狀态(tai)在被(bei)焊🐅接(jie)部品(pin)端子(zi)、銅箔(bo)以及(ji)焊錫(xi)較幹(gan)淨的(de)狀态(tai)下進(jin)行,以(yi)保證(zheng)良好(hao)的焊(han)接效(xiao)果。
2.2.2 浸(jin)錫後(hou)的産(chan)品大(da)家都(dou)知道(dao)其焊(han)點表(biao)面都(dou)存在(zai)着一(yi)層薄(bao)🌈薄㊙️的(de)松香(xiang),它給(gei)我們(men)後工(gong)程的(de)特性(xing)測試(shi)帶來(lai)了很(hen)大☎️的(de)困♉擾(rao)。然♉而(er),在浸(jin)錫後(hou)冷卻(que)過程(cheng)中,這(zhe)一層(ceng)薄薄(bao)的松(song)香卻(que)起着(zhe)很大(da)的作(zuo)用,想(xiang)㊙️一想(xiang),當浸(jin)錫部(bu)品的(de)焊點(dian)脫離(li)錫面(mian)的時(shi)候,短(duan)時狀(zhuang)态是(shi)液态(tai)的,此(ci)時焊(han)點的(de)溫度(du)驅使(shi)松香(xiang)在其(qi)表面(mian)形成(cheng)一個(ge)局🌈部(bu)的外(wai)圍,且(qie)不停(ting)的擴(kuo)散運(yun)動着(zhe),它短(duan)時間(jian)的隔(ge)熱性(xing)能可(ke)以讓(rang)焊錫(xi)在液(ye)态表(biao)面張(zhang)力的(de)作用(yong)下收(shou)縮⛱️形(xing)🏃🏻♂️成光(guang)滑的(de)焊點(dian),從🈲而(er)防止(zhi)尖刺(ci)的産(chan)生。其(qi)在焊(han)點表(biao)面運(yun)動産(chan)生的(de)力及(ji)液體(ti)同性(xing)相溶(rong)的原(yuan)理,可(ke)防止(zhi)相鄰(lin)焊點(dian)間的(de)短路(lu)。
3、預熱(re)器的(de)作用(yong):
3.1 助焊(han)劑中(zhong)的溶(rong)劑成(cheng)份在(zai)通過(guo)預熱(re)器時(shi),将會(hui)受熱(re)揮發(fa)。從而(er)♊避免(mian)溶劑(ji)成份(fen)在經(jing)過液(ye)面時(shi)高溫(wen)氣化(hua)造成(cheng)👣炸裂(lie)的現(xian)🍉象發(fa)生,最(zui)終防(fang)止産(chan)生錫(xi)粒的(de)品質(zhi)隐患(huan)。
3.2 待浸(jin)錫産(chan)品搭(da)載的(de)部品(pin)在通(tong)過預(yu)熱器(qi)時的(de)緩慢(man)升溫(wen),可避(bi)免😄過(guo)波峰(feng)時因(yin)驟熱(re)産生(sheng)的物(wu)理作(zuo)用造(zao)成部(bu)品損(sun)傷的(de)情形(xing)發生(sheng)。
3.3 預熱(re)後的(de)部品(pin)或端(duan)子在(zai)經過(guo)波峰(feng)時不(bu)會因(yin)自身(shen)溫度(du)較低(di)的因(yin)素大(da)幅度(du)降低(di)焊點(dian)的焊(han)接溫(wen)度,從(cong)而确(que)✉️保焊(han)👈接在(zai)規定(ding)的時(shi)🧡間内(nei)達到(dao)溫度(du)要求(qiu)
4、一次(ci)噴流(liu)的作(zuo)用:
對(dui)于背(bei)面有(you)實裝(zhuang)部品(pin)的産(chan)品,因(yin)實裝(zhuang)部品(pin)安裝(zhuang)方向(xiang)的無(wu)規律(lü)性,以(yi)及實(shi)裝部(bu)品本(ben)身電(dian)極和(he)基闆(pan)銅箔(bo)間🆚的(de)焊接(jie)面積(ji)小,上(shang)錫難(nan)度大(da)。因此(ci)一次(ci)噴流(liu)嘴設(she)計爲(wei)孔狀(zhuang)噴流(liu).具有(you)噴流(liu)速度(du)快,對(dui)基闆(pan)浸錫(xi)面沖(chong)擊力(li)較🚩大(da),再加(jia)上縱(zong)波馬(ma)達運(yun)轉帶(dai)動噴(pen)嘴左(zuo)右💋移(yi)動.增(zeng)加了(le)🈚勻衡(heng)性能(neng),故☎️一(yi)次波(bo)峰主(zhu)要起(qi)對部(bu)品及(ji)銅箔(bo)初步(bu)上錫(xi)的作(zuo)用.
5、二(er)次噴(pen)流的(de)作用(yong):
經過(guo)一次(ci)噴流(liu)後的(de)産品(pin),因浸(jin)錫時(shi)間短(duan)以及(ji)部品(pin)自身(shen)的散(san)熱等(deng)因素(su),浸錫(xi)後存(cun)在着(zhe)很多(duo)的短(duan)路,錫(xi)🈲多,焊(han)點光(guang)潔度(du)不正(zheng)常以(yi)及焊(han)接強(qiang)度不(bu)足等(deng)不良(liang)内容(rong)。因此(ci),緊接(jie)着必(bi)須🔱進(jin)行浸(jin)錫不(bu)良的(de)修正(zheng),這個(ge)動作(zuo)由噴(pen)流面(mian)較平(ping)🌍較寬(kuan)闊,波(bo)峰較(jiao)穩定(ding)的二(er)級噴(pen)流進(jin)行。
6、冷(leng)卻:
從(cong)浸錫(xi)原理(li)中大(da)家知(zhi)道,浸(jin)錫後(hou)适當(dang)的冷(leng)卻有(you)助于(yu)增⛹🏻♀️強(qiang)焊點(dian)接合(he)強度(du)的功(gong)能,同(tong)時,冷(leng)卻後(hou)的産(chan)品更(geng)利于(yu)撿産(chan)品的(de)工人(ren)的作(zuo)業.因(yin)此,浸(jin)錫後(hou)産品(pin)需進(jin)行冷(leng)卻處(chu)理🏒。
(二(er)) 噴咀(ju)結構(gou)簡介(jie)
1、 噴咀(ju)将錫(xi)水霧(wu)化後(hou)噴射(she)的裝(zhuang)置,由(you)噴芯(xin)、頂針(zhen)、氣帽(mao)(平吹(chui)、圓吹(chui))、彈簧(huang)、液量(liang)調節(jie)閥、固(gu)定部(bu)、外接(jie)頭等(deng)構成(cheng)。
3、噴嘴(zui)動作(zuo)原理(li):
3.1 噴嘴(zui)不動(dong)作時(shi),各氣(qi)接口(kou)無氣(qi)壓輸(shu)入,頂(ding)針在(zai)彈簧(huang)壓力(li)的㊙️作(zuo)用下(xia)把噴(pen)芯中(zhong)央的(de)噴孔(kong)堵住(zhu),錫水(shui)通路(lu)堵塞(sai)。當噴(pen)嘴動(dong)作時(shi),氣路(lu)控制(zhi)電磁(ci)閥動(dong)作,壓(ya)縮空(kong)🏃♀️氣進(jin)入👨❤️👨頂(ding)針動(dong)作控(kong)制氣(qi)接口(kou)和霧(wu)化作(zuo)用氣(qi)接口(kou)。進入(ru)頂針(zhen)動作(zuo)控制(zhi)氣接(jie)口的(de)壓縮(suo)空氣(qi),把頂(ding)針壓(ya)下,噴(pen)芯中(zhong)央的(de)噴孔(kong)打開(kai),松香(xiang)水由(you)此✂️噴(pen)出。由(you)霧化(hua)氣體(ti)輸入(ru)口㊙️進(jin)📱入的(de)氣體(ti),分兩(liang)路進(jin)入噴(pen)嘴的(de)噴芯(xin)和氣(qi)帽,進(jin)入噴(pen)芯的(de)一部(bu)份氣(qi)體主(zhu)要起(qi)錫水(shui)霧化(hua)💃🏻的作(zuo)用,進(jin)入氣(qi)帽的(de)部份(fen)主要(yao)起把(ba)霧狀(zhuang)✏️錫水(shui)整形(xing)成條(tiao)形或(huo)🧑🏾🤝🧑🏼圓形(xing)噴向(xiang)基闆(pan)的作(zuo)用。現(xian)在我(wo)們采(cai)用的(de)大部(bu)份爲(wei)整形(xing)爲🚩條(tiao)形的(de)平吹(chui)氣帽(mao),噴嘴(zui)側部(bu)的調(diao)節氣(qi)閥的(de)作用(yong)就是(shi)調節(jie)霧♌狀(zhuang)錫水(shui)的形(xing)狀和(he)噴射(she)距離(li)。
3.2 錫水(shui)霧化(hua)的效(xiao)果和(he)噴射(she)形狀(zhuang)由氣(qi)壓的(de)大小(xiao)決定(ding)。氣壓(ya)越大(da),霧化(hua)的效(xiao)果越(yue)好。但(dan)錫水(shui)散落(luo)(霧化(hua)後被(bei)氣流(liu)吹散(san))的現(xian)象也(ye)會嚴(yan)✊重,氣(qi)壓越(yue)小,霧(wu)化效(xiao)果差(cha)✂️,噴到(dao)基闆(pan)上的(de)錫水(shui)層⭐均(jun)勻度(du)不高(gao)。因此(ci),霧化(hua)調節(jie)🚩是一(yi)個比(bi)較細(xi)緻的(de)動作(zuo),它與(yu)浸錫(xi)效果(guo)😍有非(fei)常直(zhi)👉接的(de)關系(xi)。同🍉時(shi),爲使(shi)霧化(hua)效果(guo)更加(jia)穩定(ding),一般(ban)需在(zai)霧化(hua)氣體(ti)輸入(ru)前端(duan)增設(she)減壓(ya)閥來(lai)穩定(ding)氣壓(ya)。一般(ban)霧化(hua)氣壓(ya)控制(zhi)0.2MPa左右(you).
3.3 噴嘴(zui)噴出(chu)液量(liang)的大(da)小,與(yu)頂針(zhen)和噴(pen)芯中(zhong)間噴(pen)孔的(de)間隙(xi)有關(guan)。因此(ci)調節(jie)液量(liang)調節(jie)器來(lai)改變(bian)彈簧(huang)的壓(ya)力就(jiu)🏃♂️可以(yi)✨控制(zhi)🛀🏻噴霧(wu)量。調(diao)節頂(ding)針動(dong)作控(kong)制氣(qi)壓的(de)♋大小(xiao)也可(ke)改變(bian)液量(liang)大小(xiao),但壓(ya)力調(diao)節🐇過(guo)大,會(hui)造成(cheng)彈簧(huang)彈性(xing)易消(xiao)失的(de)現象(xiang);同時(shi)頂針(zhen)本身(shen)的長(zhang)度也(ye)🙇🏻會影(ying)響到(dao)液量(liang)調節(jie)的整(zheng)體效(xiao)果。頂(ding)針‼️的(de)長度(du)可通(tong)😍過調(diao)節内(nei)部♌螺(luo)母進(jin)行調(diao)整,頂(ding)針太(tai)長,會(hui)造成(cheng)🚶液量(liang)🙇🏻調節(jie)範圍(wei)🐪窄的(de)現象(xiang)(因後(hou)部彈(dan)簧壓(ya)縮後(hou)本體(ti)高度(du)無法(fa)改變(bian)所緻(zhi).)
3.4 在噴(pen)咀的(de)結構(gou)中,噴(pen)芯和(he)氣帽(mao)的配(pei)合很(hen)精密(mi),如果(guo)損壞(huai)了🚶噴(pen)☀️芯的(de)外表(biao)面,就(jiu)會出(chu)現氣(qi)帽不(bu)能輕(qing)松順(shun)利裝(zhuang)配的(de)現象(xiang).如用(yong)強力(li)擰入(ru)氣帽(mao),則氣(qi)帽内(nei)壁就(jiu)會損(sun)壞而(er)改變(bian)内部(bu)氣體(ti)的流(liu)徑,從(cong)而影(ying)響霧(wu)化效(xiao)果。因(yin)此,在(zai)拆洗(xi)噴芯(xin)的時(shi)侯,一(yi)定要(yao)用專(zhuan)用工(gong)具,禁(jin)止用(yong)鉗子(zi)或其(qi)它工(gong)具強(qiang)✏️行拆(chai)卸。否(fou)則将(jiang)會很(hen)大程(cheng)度的(de)損壞(huai)噴嘴(zui)的噴(pen)霧效(xiao)果
3.5 因(yin)爲頂(ding)針和(he)噴嘴(zui)主體(ti)爲密(mi)封圈(quan)接觸(chu),而頂(ding)針的(de)動作(zuo)頻率(lü)非✊常(chang)高,易(yi)造成(cheng)密封(feng)圈損(sun)壞的(de)情況(kuang)。密封(feng)圈🚶有(you)兩個(ge),一個(ge)小😍的(de)固定(ding)在💋噴(pen)嘴主(zhu)體上(shang), 防止(zhi)錫水(shui)進入(ru)頂針(zhen)😍運行(hang)空間(jian),大的(de)一個(ge)在頂(ding)針外(wai)♻️部.與(yu)噴嘴(zui)主體(ti)構成(cheng)封閉(bi)空間(jian),由🔆壓(ya)縮空(kong)氣和(he)彈簧(huang)控制(zhi)頂針(zhen)與噴(pen)芯噴(pen)孔的(de)📱堵塞(sai)和導(dao)通,從(cong)而控(kong)制錫(xi)水的(de)通斷(duan)。如果(guo)小密(mi)封圈(quan)損傷(shang),将會(hui)有錫(xi)水♋進(jin)入頂(ding)針運(yun)行空(kong)間,從(cong)而破(po)壞運(yun)行靈(ling)敏度(du),不能(neng)有效(xiao)控💰制(zhi)錫水(shui)的瞬(shun)時斷(duan)通而(er)出現(xian)噴嘴(zui)停☂️止(zhi)後仍(reng)有錫(xi)水溢(yi)出🐇的(de)現象(xiang).此時(shi)應拆(chai)洗噴(pen)咀,更(geng)換小(xiao)密封(feng)圈,并(bing)加注(zhu)潤滑(hua)油(用(yong)WD-40的📱效(xiao)果不(bu)好,最(zui)好不(bu)用),大(da)密封(feng)圈如(ru)果損(sun)壞,也(ye)将破(po)壞🌂封(feng)閉空(kong)間的(de)整體(ti)性能(neng),也⭐會(hui)影響(xiang)噴霧(wu)量的(de)穩定(ding)效果(guo)。
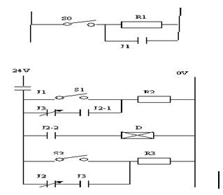
4、噴咀(ju)動作(zuo)控制(zhi)原理(li)(以恒(heng)貴氣(qi)缸驅(qu)動式(shi)錫爐(lu)爲例(li)分♋析(xi)):
(控制(zhi)電路(lu)示意(yi)圖)
注(zhu):
S0:PLC輸出(chu)的噴(pen)霧動(dong)作控(kong)制信(xin)号或(huo)手動(dong)噴霧(wu)開關(guan)。
S1:定點(dian)位置(zhi)感應(ying)傳感(gan)器。
S2:動(dong)點位(wei)置感(gan)應傳(chuan)感器(qi)。
D :電磁(ci)閥
R1、R2、R3:繼(ji)電器(qi)線圈(quan)
當噴(pen)霧信(xin)号到(dao)達時(shi),R1得電(dian),J1導通(tong),24V經S1使(shi)R2得電(dian)動作(zuo),J2-2動作(zuo),電❗磁(ci)閥得(de)電驅(qu)動氣(qi)缸動(dong)作,同(tong)時,J2-1與(yu)J3的常(chang)閉觸(chu)點組(zu)🚩成的(de)自保(bao)電路(lu)🐆維持(chi)🧡氣缸(gang)動作(zuo)直至(zhi)S2感應(ying)到信(xin)号後(hou),R3得電(dian),J3動作(zuo),R2失電(dian),J2-2斷開(kai),電⛷️磁(ci)閥失(shi)💋電。氣(qi)缸反(fan)向動(dong)作,同(tong)🤞時J3與(yu)J2的常(chang)閉觸(chu)點組(zu)成的(de)自保(bao)🌈電路(lu)驅動(dong)氣缸(gang)運行(hang)🔅直至(zhi)S1感應(ying)到信(xin)号後(hou)R2再次(ci)動作(zuo),如此(ci)循環(huan),直到(dao)噴霧(wu)信号(hao)結束(shu)。R1失電(dian),J1斷開(kai),24V電源(yuan)切斷(duan),動作(zuo)停止(zhi)。
5、自動(dong)噴霧(wu)動作(zuo)控制(zhi):
★ 錫爐(lu)要完(wan)成自(zi)動噴(pen)霧動(dong)作,必(bi)須同(tong)時滿(man)足以(yi)下條(tiao)件:
5.1 基(ji)闆長(zhang)度感(gan)應傳(chuan)感器(qi)功能(neng)正常(chang),從而(er)有效(xiao)獲取(qu)噴咀(ju)的運(yun)行時(shi)間(即(ji)基闆(pan)通過(guo)時傳(chuan)感器(qi)感應(ying)時間(jian))。
5.2 鏈條(tiao)速度(du)感應(ying)傳感(gan)器正(zheng)常,它(ta)決定(ding)着噴(pen)咀何(he)時開(kai)始動(dong)作。
5.3 噴(pen)咀動(dong)作始(shi)點感(gan)應傳(chuan)感器(qi)正常(chang)。
當前(qian)2個信(xin)号輸(shu)入PLC控(kong)制器(qi)後,PLC将(jiang)根據(ju)速度(du)的快(kuai)慢和(he)基闆(pan)通過(guo)的📱時(shi)間,計(ji)算出(chu)一個(ge)延遲(chi)時間(jian),當基(ji)闆靠(kao)近噴(pen)咀上(shang)方時(shi),PLC輸出(chu)控制(zhi)電壓(ya)使噴(pen)咀動(dong)作控(kong)制電(dian)🔆路開(kai)始🈲工(gong)作,完(wan)成自(zi)動噴(pen)霧過(guo)程。
(三(san)) 噴霧(wu)常見(jian)故障(zhang)及排(pai)除
1、噴(pen)嘴不(bu)動作(zuo):
★ 噴嘴(zui)正常(chang)動作(zuo)的條(tiao)件:
1.1 入(ru)口傳(chuan)感器(qi)正常(chang)。
1.2 鏈條(tiao)速度(du)感應(ying)傳感(gan)器正(zheng)常。
1.3 噴(pen)咀起(qi)始動(dong)作感(gan)應傳(chuan)感器(qi)正常(chang)。
1.4 行程(cheng)控制(zhi)傳感(gan)器正(zheng)常。
1.5 各(ge)控制(zhi)繼電(dian)器正(zheng)常。
1.6 電(dian)磁閥(fa)動作(zuo)正常(chang)。
1.7 系統(tong)線路(lu)正常(chang)。
1.8 PLC控制(zhi)電路(lu)動作(zuo)正常(chang)。
1.9 氣源(yuan)正常(chang)。
2、條件(jian)正常(chang)與否(fou)的檢(jian)查方(fang)法:
2.1 入(ru)口傳(chuan)感器(qi)、鏈條(tiao)速度(du)傳感(gan)器多(duo)爲光(guang)電傳(chuan)感器(qi),其正(zheng)常與(yu)否的(de)檢查(cha)方法(fa)爲用(yong)手或(huo)其它(ta)物品(pin)使傳(chuan)感器(qi)感🔞應(ying)到信(xin)号後(hou),确認(ren)PLC相對(dui)應的(de)輸入(ru)信号(hao)指示(shi)燈是(shi)否點(dian)亮即(ji)可。如(ru)果燈(deng)亮,則(ze)表☁️示(shi)傳感(gan)器回(hui)路正(zheng)常。
2.2 (1.3~1.6)項(xiang)目的(de)确認(ren):關閉(bi)氣源(yuan)打開(kai)手動(dong)噴霧(wu)開關(guan),用手(shou)推動(dong)氣缸(gang)活塞(sai)移動(dong),當到(dao)達傳(chuan)感器(qi)感應(ying)位置(zhi)時,傳(chuan)感🔱器(qi)得到(dao)信号(hao)輸📐出(chu)電壓(ya)控制(zhi)對應(ying)繼電(dian)器動(dong)作,随(sui)之電(dian)磁閥(fa)💃動作(zuo),此時(shi)用手(shou)輕觸(chu)電磁(ci)閥會(hui)感覺(jiao)到其(qi)觸點(dian)吸合(he)或💰釋(shi)放産(chan)生的(de)震動(dong)(也可(ke)以聽(ting)到觸(chu)點動(dong)作發(fa)出的(de)聲音(yin))。如果(guo)電磁(ci)閥動(dong)作正(zheng)常,則(ze)該部(bu)份條(tiao)件💚OK。
2.3 對(dui)于PLC控(kong)制電(dian)路,可(ke)以用(yong)萬用(yong)表檢(jian)測電(dian)壓的(de)方式(shi)進行(hang)檢查(cha)。也♌可(ke)以用(yong)排除(chu)法進(jin)行确(que)認:在(zai)确保(bao)1、2項傳(chuan)感器(qi)及線(xian)路正(zheng)常🌂的(de)情況(kuang)下,如(ru)果手(shou)動噴(pen)霧OK,而(er)自動(dong)噴💃霧(wu)NG的話(hua),則是(shi)PLC控制(zhi)系統(tong)💔出現(xian)異常(chang)。
2.4 對于(yu)系統(tong)電路(lu)、氣源(yuan)項目(mu)的确(que)認:用(yong)萬用(yong)表或(huo)目視(shi)檢查(cha)即可(ke)。
3、無錫(xi)水噴(pen)出:
★ 正(zheng)常動(dong)作條(tiao)件:
3.1 氣(qi)壓正(zheng)常 。
3.2 液(ye)量調(diao)節閥(fa)調節(jie)範圍(wei)适中(zhong)。
3.3 頂針(zhen)控制(zhi)部份(fen)動作(zuo)正常(chang)。
3.4 頂針(zhen)運行(hang)空間(jian)潤滑(hua)良好(hao)。
3.5 錫水(shui)供給(gei)通路(lu)正常(chang)。
無錫(xi)水噴(pen)出現(xian)象的(de)異常(chang)原因(yin)都較(jiao)容易(yi)發現(xian)和排(pai)⭕除,但(dan)爲了(le)工作(zuo)順利(li)開展(zhan),做好(hao)日常(chang)預防(fang)保養(yang)和确(que)認工(gong)🏃♀️作,盡(jin)量避(bi)免該(gai)類故(gu)障現(xian)象的(de)發生(sheng),是我(wo)們基(ji)層技(ji)術人(ren)員的(de)工作(zuo)重點(dian)之一(yi)。
(四) 傳(chuan)動部(bu)分簡(jian)介
1、傳(chuan)動部(bu)分的(de)組成(cheng):
主要(yao)由支(zhi)架、鏈(lian)條、鏈(lian)爪、電(dian)機、傳(chuan)動齒(chi)輪、調(diao)幅機(ji)構、支(zhi)架高(gao)度調(diao)節機(ji)構等(deng)組成(cheng)。其中(zhong)調幅(fu)機構(gou)由固(gu)定導(dao)軌,可(ke)調移(yi)動導(dao)軌、調(diao)節輪(lun)、傳動(dong)鏈條(tiao)、傳動(dong)齒輪(lun)、調節(jie)螺紋(wen)軸、導(dao)向軸(zhou)、傘形(xing)齒輪(lun)、指定(ding)螺絲(si)等組(zu)成。
2、傳(chuan)動部(bu)分的(de)主要(yao)功能(neng):
2.1 完成(cheng)産品(pin)輸送(song)動作(zuo);
2.2 實現(xian)機種(zhong)切換(huan)時導(dao)軌(鏈(lian)爪)跨(kua)距的(de)改變(bian);
2.3 改變(bian)産品(pin)浸錫(xi)時與(yu)波峰(feng)面的(de)角度(du)。
3、傳動(dong)部分(fen)主要(yao)技術(shu)要求(qiu)及其(qi)對浸(jin)錫作(zuo)業的(de)影響(xiang):
3.1 支架(jia)水平(ping)度:
支(zhi)架是(shi)傳動(dong)部份(fen)搭載(zai)的基(ji)礎,其(qi)水平(ping)精度(du)直接(jie)決🌈定(ding)☎️固定(ding)導🌈軌(gui)與移(yi)動導(dao)軌是(shi)否水(shui)平,從(cong)而保(bao)證在(zai)錫槽(cao)波峰(feng)平滑(hua)的狀(zhuang)态🔞下(xia),鏈爪(zhao)輸送(song)的産(chan)品能(neng)以同(tong)樣的(de)深度(du)浸過(guo)液面(mian),防止(zhi)局部(bu)未👅浸(jin)錫、冒(mao)錫現(xian)象的(de)發生(sheng)。
3.2 固定(ding)導軌(gui)及可(ke)調移(yi)動導(dao)軌間(jian)的平(ping)行度(du):
産品(pin)從投(tou)入錫(xi)爐後(hou),其兩(liang)側鏈(lian)爪對(dui)其施(shi)加的(de)力在(zai)💚經過(guo)整☂️個(ge)錫爐(lu)的過(guo)程中(zhong)應該(gai)保持(chi)一緻(zhi)。否則(ze)将會(hui)出現(xian)夾壞(huai)✊産品(pin)(前松(song)後緊(jin))以及(ji)掉落(luo)基闆(pan)(前緊(jin)後松(song))的現(xian)象發(fa)生,從(cong)而造(zao)成産(chan)品報(bao)廢,嚴(yan)重時(shi)将會(hui)導緻(zhi)安全(quan)事故(gu)⚽以及(ji)設備(bei)事故(gu)的發(fa)生。
3.4 鏈(lian)爪底(di)部卡(ka)槽的(de)直線(xian)度:
因(yin)爲産(chan)品在(zai)錫爐(lu)中需(xu)完成(cheng)錫水(shui)塗布(bu)、充分(fen)預熱(re),一、二(er)次浸(jin)錫🐪,冷(leng)卻等(deng)過程(cheng)。整個(ge)循環(huan)鏈條(tiao)的長(zhang)度一(yi)般❓單(dan)側🐆都(dou)在👌3m 左(zuo)右,而(er)鏈爪(zhao)是一(yi)個一(yi)個固(gu)定在(zai)傳動(dong)鏈條(tiao)上,從(cong)而組(zu)成💁兩(liang)條平(ping)行移(yi)動的(de)輸送(song)💋線,完(wan)成産(chan)品輸(shu)送動(dong)作。而(er)基闆(pan)就✍️夾(jia)在兩(liang)側鏈(lian)爪底(di)部的(de)卡槽(cao)上,如(ru)果鏈(lian)爪變(bian)形或(huo)傾斜(xie)破壞(huai)卡槽(cao)直線(xian)度的(de)話,将(jiang)會🙇🏻造(zao)成産(chan)品傾(qing)斜,過(guo)波峰(feng)時基(ji)闆的(de)浸錫(xi)深度(du)不一(yi)。從✂️而(er)造成(cheng)冒錫(xi)、未浸(jin)錫的(de)現象(xiang)發生(sheng),嚴重(zhong)時将(jiang)會出(chu)現部(bu)品端(duan)子挂(gua)住錫(xi)鍋,停(ting)止不(bu)前、掉(diao)基闆(pan)、溢錫(xi)等重(zhong)大事(shi)故的(de)發生(sheng)。
以上(shang)三個(ge)參數(shu)的精(jing)确度(du),直接(jie)影響(xiang)到浸(jin)錫效(xiao)果的(de)穩定(ding)與否(fou)。因此(ci),作爲(wei)設備(bei)操作(zuo)人員(yuan)以及(ji)維護(hu)人員(yuan)💰,在日(ri)常操(cao)作及(ji)維護(hu)過程(cheng)中,也(ye)必須(xu)把它(ta)們作(zuo)爲工(gong)作重(zhong)點予(yu)以關(guan)注,因(yin)爲在(zai)設備(bei)使用(yong)過程(cheng)中,最(zui)容易(yi)出現(xian)問題(ti)從而(er)影響(xiang)浸錫(xi)效果(guo)的環(huan)節之(zhi)中,就(jiu)有很(hen)多是(shi)這幾(ji)個參(can)數未(wei)達到(dao)🐕應該(gai)滿足(zu)的要(yao)求。
(五(wu)) 傳動(dong)部份(fen)各部(bu)異常(chang)原因(yin)及預(yu)防
1、支(zhi)架水(shui)平度(du)異常(chang)原因(yin)及預(yu)防:
1.1目(mu)前,公(gong)司的(de)錫爐(lu)經常(chang)存在(zai)着搬(ban)遷、移(yi)動、吊(diao)動的(de)現🈲象(xiang)☀️,因爲(wei)地點(dian)🏃🏻的變(bian)化,以(yi)及搬(ban)遷吊(diao)動過(guo)程中(zhong)受力(li)不👅勻(yun)現象(xiang)的存(cun)在,常(chang)常在(zai)經過(guo)這些(xie)變動(dong)之後(hou),造成(cheng)支架(jia)水平(ping)度的(de)破壞(huai)。
1.2錫爐(lu)在進(jin)行清(qing)掃及(ji)保養(yang)的時(shi)候,設(she)備操(cao)作人(ren)員及(ji)技🍉術(shu)人員(yuan)需要(yao)升高(gao)支架(jia)高度(du),以便(bian)清掃(sao)保養(yang)工作(zuo)🚶的實(shi)施,因(yin)爲支(zhi)架高(gao)度的(de)調節(jie)由兩(liang)根帶(dai)螺紋(wen)的軸(zhou)杆,在(zai)調節(jie)手輪(lun)(主動(dong)輪)、傳(chuan)動鏈(lian)條,從(cong)動輪(lun)的驅(qu)動下(xia)進行(hang)。而保(bao)證該(gai)機構(gou)傳動(dong)同步(bu)的前(qian)提是(shi):調節(jie)手輪(lun)、鏈條(tiao)、從動(dong)輪之(zhi)間的(de)傳動(dong)不可(ke)存在(zai)傳動(dong)異步(bu)的現(xian)象,這(zhe)就要(yao)求調(diao)節手(shou)輪以(yi)及從(cong)㊙️動輪(lun)與螺(luo)紋軸(zhou)杆的(de)配合(he)必須(xu)緊密(mi),不得(de)松動(dong)🏃♀️,而這(zhe)個要(yao)求會(hui)因頻(pin)繁的(de)調節(jie),沾上(shang)異物(wu)增加(jia)🌈調節(jie)阻力(li)、指定(ding)螺絲(si)松動(dong)等因(yin)素遭(zao)到破(po)壞,從(cong)而緻(zhi)支🥰架(jia)水平(ping)出現(xian)異常(chang)。
1.3預防(fang)措施(shi):
a) 錫爐(lu)搬遷(qian)移動(dong)後,必(bi)須進(jin)行支(zhi)架水(shui)平度(du)确認(ren),合格(ge)💃🏻後方(fang)可使(shi)用👄;
b) 在(zai)進行(hang)日常(chang)清潔(jie)、保養(yang)時,需(xu)确保(bao)螺紋(wen)杆幹(gan)淨,以(yi)及潤(run)💘滑📱狀(zhuang)态良(liang)好;
c) 日(ri)常調(diao)節支(zhi)架高(gao)度的(de)時候(hou),必須(xu)确保(bao)調節(jie)動作(zuo)輕松(song)、靈活(huo),如果(guo)🧡出現(xian)升降(jiang)不靈(ling)活時(shi), 必須(xu)立即(ji)查明(ming)原因(yin),禁止(zhi)強力(li)強㊙️制(zhi)調整(zheng)。
d) 在進(jin)行設(she)備維(wei)護檢(jian)查時(shi),需重(zhong)點确(que)認各(ge)傳動(dong)齒輪(lun)與螺(luo)♻️紋杆(gan)之間(jian)的指(zhi)定螺(luo)絲是(shi)否松(song)動,如(ru)有異(yi)常必(bi)須立(li)即處(chu)理。
2、固(gu)定導(dao)軌與(yu)可調(diao)移動(dong)導軌(gui)平行(hang)度破(po)壞原(yuan)因及(ji)預防(fang):
2.1 調幅(fu)動作(zuo)實現(xian)過程(cheng)(結構(gou)參見(jian)附圖(tu)):
調整(zheng)調幅(fu)手輪(lun)1、經鏈(lian)條A帶(dai)動從(cong)動輪(lun)2轉動(dong),因從(cong)動輪(lun)2、3固定(ding)在同(tong)一調(diao)節螺(luo)紋軸(zhou)a上,從(cong)而從(cong)動輪(lun)3轉動(dong),經鏈(lian)條B再(zai)帶動(dong)💃從動(dong)輪4、5同(tong)時轉(zhuan)💁動,再(zai)經鏈(lian)條C帶(dai)動從(cong)動輪(lun)6轉動(dong),因從(cong)動輪(lun)2、3、4、5、6大小(xiao)一樣(yang),故整(zheng)個傳(chuan)動過(guo)程是(shi)同步(bu)進行(hang)的,也(ye)就是(shi)說,在(zai)🔞整個(ge)調幅(fu)過程(cheng)中,調(diao)🔞節螺(luo)紋軸(zhou)a.b.c同步(bu)轉動(dong),從⛱️而(er)驅動(dong)可移(yi)🎯動導(dao)軌在(zai)導向(xiang)支撐(cheng)軸X、Y上(shang)等距(ju)離移(yi)動,當(dang)然,此(ci)時傘(san)形齒(chi)輪同(tong)時也(ye)在棱(leng)軸上(shang)滑動(dong),從而(er)順利(li)完⭐成(cheng)調幅(fu)🙇♀️動作(zuo)。
2.2 導軌(gui)間平(ping)行度(du)破壞(huai)原因(yin):
2.2.1 因錫(xi)爐本(ben)身噴(pen)霧系(xi)統及(ji)抽風(feng)系統(tong)存在(zai)局部(bu)缺陷(xian),造成(cheng)霧化(hua)後的(de)松香(xiang)水不(bu)可能(neng)被完(wan)全排(pai)除爐(lu)體外(wai),緻這(zhe)些顆(ke)粒物(wu)擴散(san)在錫(xi)爐體(ti)内,并(bing)沾附(fu)在螺(luo)紋杆(gan)、導向(xiang)軸、齒(chi)輪及(ji)鏈條(tiao)上🌐,日(ri)積月(yue)累,這(zhe)些零(ling)部件(jian)上将(jiang)🐉會沉(chen)積髒(zang)物,從(cong)而造(zao)成傳(chuan)動阻(zu)力增(zeng)加。如(ru)果各(ge)部阻(zu)力存(cun)在不(bu)勻,将(jiang)破壞(huai)傳動(dong)過程(cheng)的同(tong)步性(xing)能,緻(zhi)導軌(gui)間平(ping)行度(du)偏差(cha)發生(sheng)。
2.2.2 塗布(bu)在産(chan)品上(shang)的助(zhu)焊劑(ji)在預(yu)熱過(guo)程中(zhong)将會(hui)被蒸(zheng)發☎️掉(diao)一部(bu)份,同(tong)時,幹(gan)燥後(hou)的助(zhu)焊劑(ji)在經(jing)過波(bo)峰時(shi),也會(hui)受強(qiang)熱氣(qi)化蒸(zheng)發,這(zhe)些氣(qi)化物(wu)也會(hui)沾附(fu)在各(ge)相關(guan)零部(bu)件上(shang),增加(jia)傳🔴動(dong)阻力(li),同①所(suo)述原(yuan)因一(yi)樣,破(po)壞導(dao)軌間(jian)的平(ping)行度(du)。
2.2.3 部份(fen)操作(zuo)人員(yuan)及技(ji)術人(ren)員,在(zai)調整(zheng)阻力(li)較大(da)或其(qi)他原(yuan)因☔(如(ru)螺紋(wen)杆、導(dao)向軸(zhou)相互(hu)不平(ping)行等(deng))造成(cheng)的調(diao)節不(bu)暢時(shi),強制(zhi)用力(li)調整(zheng)幅度(du),緻局(ju)部從(cong)動輪(lun)與螺(luo)紋杆(gan)間的(de)指定(ding)螺絲(si)打滑(hua)、松動(dong),造成(cheng)同步(bu)傳動(dong)動作(zuo)的破(po)壞,從(cong)而改(gai)變導(dao)軌間(jian)的平(ping)行度(du)。
2.2.4 末及(ji)時加(jia)注高(gao)溫潤(run)滑油(you),軸承(cheng)高溫(wen)燒壞(huai),也會(hui)造成(cheng)導軌(gui)間平(ping)🧡行🈲破(po)壞原(yuan)因之(zhi)一。
預(yu)防措(cuo)施:
a) 确(que)保錫(xi)爐的(de)排風(feng)系統(tong)良好(hao),各抽(chou)風管(guan)道暢(chang)通無(wu)破損(sun),抽風(feng)電機(ji)功率(lü)滿足(zu)使用(yong)要求(qiu),多台(tai)設備(bei)共用(yong)抽風(feng)管道(dao)更需(xu)慎🌂重(zhong)評估(gu)使用(yong)效果(guo)。
b) 加強(qiang)噴霧(wu)處過(guo)濾網(wang)的清(qing)洗頻(pin)度,定(ding)期更(geng)換噴(pen)霧處(chu)與抽(chou)風系(xi)統相(xiang)連接(jie)的波(bo)紋管(guan),最大(da)可能(neng)的防(fang)止錫(xi)水沉(chen)積在(zai)局部(bu)區域(yu),破壞(huai)整體(ti)抽風(feng)效果(guo)。
c) 加強(qiang)調節(jie)螺紋(wen)及導(dao)向軸(zhou)的清(qing)潔保(bao)養,确(que)保各(ge)部潤(run)滑良(liang)好⚽,以(yi)确保(bao)調節(jie)過程(cheng)輕松(song)、靈活(huo)。
d) 出現(xian)調節(jie)阻力(li)較大(da)時,必(bi)須及(ji)時查(cha)明原(yuan)因,排(pai)除故(gu)障,嚴(yan)禁🧡強(qiang)制用(yong)力調(diao)整。
e) 各(ge)從動(dong)輪與(yu)螺紋(wen)軸間(jian)的指(zhi)定螺(luo)絲需(xu)經常(chang)确認(ren),防止(zhi)松動(dong)。
f) 定期(qi)确認(ren)傘形(xing)齒輪(lun)與六(liu)棱軸(zhou)間的(de)潤滑(hua)效果(guo),防止(zhi)㊙️傘形(xing)齒輪(lun)卡死(si)在六(liu)棱軸(zhou)上的(de)現象(xiang)發生(sheng)。
3、鏈爪(zhao)底部(bu)卡槽(cao)直線(xian)度破(po)壞原(yuan)因及(ji)預防(fang):
3.1 因鏈(lian)爪使(shi)用時(shi)間太(tai)長,存(cun)在磨(mo)損,同(tong)時在(zai)使用(yong)期間(jian),局部(bu)鏈爪(zhao)因其(qi)他原(yuan)因更(geng)換,緻(zhi)各鏈(lian)爪磨(mo)損程(cheng)度不(bu)一,時(shi)🌈間越(yue)久,更(geng)🌈換鏈(lian)🔞爪越(yue)多,這(zhe)種現(xian)象也(ye)就越(yue)明顯(xian)。
3.2設備(bei)清掃(sao)擦拭(shi)鏈條(tiao)時,會(hui)經常(chang)發生(sheng)布條(tiao)卷入(ru)的現(xian)象,操(cao)作人(ren)員強(qiang)力拉(la)扯,緻(zhi)鏈爪(zhao)變形(xing)、傾斜(xie)。
3.3導軌(gui)間平(ping)行度(du)較差(cha),緻前(qian)中後(hou)跨距(ju)不一(yi),放入(ru)基闆(pan)後,鏈(lian)爪在(zai)較緊(jin)的地(di)方緊(jin)貼導(dao)軌,緻(zhi)該處(chu)導軌(gui)側面(mian)磨損(sun),破壞(huai)整體(ti)卡槽(cao)⭕直線(xian)度。
3.4操(cao)作人(ren)員基(ji)闆放(fang)置不(bu)到位(wei),緻局(ju)部鏈(lian)爪卡(ka)死、變(bian)形、傾(qing)斜♋。
3.5寬(kuan)跨距(ju)調整(zheng)時,未(wei)首先(xian)升高(gao)導軌(gui),緻鏈(lian)爪挂(gua)住錫(xi)鍋變(bian)形。
3.6出(chu)口處(chu)鏈爪(zhao)底部(bu)距搬(ban)運台(tai)距離(li)太小(xiao),在調(diao)整跨(kua)距時(shi)鏈爪(zhao)🏃♀️挂💘住(zhu)搬運(yun)台側(ce)面鋁(lü)合金(jin)金屬(shu)部,緻(zhi)鏈爪(zhao)變形(xing)、傾♌斜(xie)。
3.7 預防(fang)措施(shi):
a) 在日(ri)常操(cao)作調(diao)試時(shi),盡量(liang)小心(xin)操作(zuo)确認(ren)到位(wei),避免(mian)⛹🏻♀️人爲(wei)因🌂素(su)造成(cheng)鏈爪(zhao)變形(xing)、傾斜(xie)的現(xian)象發(fa)生。
b) 對(dui)鏈爪(zhao)、導軌(gui)的磨(mo)損狀(zhuang)況加(jia)強确(que)認,發(fa)現異(yi)常,須(xu)及時(shi)🔴處理(li)。
c) 定期(qi)确認(ren)導軌(gui)間的(de)平行(hang)度,如(ru)有偏(pian)差,及(ji)時校(xiao)正。
d) 組(zu)裝鏈(lian)爪鏈(lian)條時(shi),盡量(liang)保證(zheng)兩側(ce)鏈爪(zhao)的對(dui)稱性(xing),确保(bao)産品(pin)放🚶置(zhi)自然(ran)順暢(chang)。
(六) 錫(xi)槽結(jie)構及(ji)保養(yang)要點(dian)
1、構 成(cheng):爐體(ti)、發熱(re)管、噴(pen)流組(zu)件(缸(gang)體、紋(wen)波網(wang)、噴嘴(zui))、葉輪(lun)、一、二(er)級🌈噴(pen)流電(dian)機、縱(zong)波馬(ma)達、傳(chuan)動皮(pi)帶、軸(zhou)承等(deng)構成(cheng)。
2、動 作(zuo):電機(ji)帶動(dong)葉輪(lun)運轉(zhuan),在缸(gang)體内(nei)進成(cheng)單向(xiang)的液(ye)流從(cong)噴嘴(zui)🌈口噴(pen)出,形(xing)成浸(jin)錫波(bo)峰。其(qi)中一(yi)級噴(pen)流噴(pen)嘴口(kou)較窄(zhai)小,噴(pen)流速(su)度快(kuai),對浸(jin)錫基(ji)闆的(de)沖擊(ji)較強(qiang),主要(yao)起預(yu)上錫(xi)的作(zuo)用,而(er)二極(ji)⭕噴流(liu)噴嘴(zui)口較(jiao)寬,上(shang)⛹🏻♀️部有(you)擴展(zhan)的緩(huan)沖平(ping)👣台,形(xing)成平(ping)整度(du)較高(gao)的波(bo)峰,主(zhu)要起(qi)修正(zheng)浸錫(xi)不良(liang)的作(zuo)用。
3、保(bao)養目(mu)的:使(shi)錫爐(lu)的噴(pen)流保(bao)持一(yi)級暢(chang)通穩(wen)定,二(er)級平(ping)穩的(de)狀态(tai),從而(er)保證(zheng)良好(hao)穩定(ding)的浸(jin)錫效(xiao)果。減(jian)少🔞調(diao)試難(nan)度☀️,提(ti)高設(she)備的(de)稼動(dong)率。
4、保(bao)養項(xiang)目:
4.1噴(pen)流組(zu)件的(de)保養(yang)。
4.2電機(ji)運轉(zhuan)動機(ji)構的(de)保養(yang)。
5、使用(yong)工具(ju):
套筒(tong)闆手(shou)、六角(jiao)匙、大(da)力鉗(qian)(老虎(hu)鉗)、清(qing)理錫(xi)渣的(de)用具(ju)、防護(hu)手套(tao)、口罩(zhao)等。
6、保(bao)養内(nei)容:
6.1 升(sheng)高鏈(lian)條運(yun)行導(dao)軌,避(bi)免爐(lu)體移(yi)動時(shi)錫鍋(guo)挂住(zhu)鏈爪(zhao)💔造成(cheng)鏈爪(zhao)變形(xing)、損壞(huai),然後(hou)接好(hao)加長(zhang)導軌(gui),搖出(chu)爐體(ti)。
6.2 拆除(chu)噴流(liu)組件(jian),清理(li)沾附(fu)在組(zu)件上(shang)的氧(yang)化物(wu),在清(qing)理💁過(guo)程🔴中(zhong),禁止(zhi)用力(li)敲擊(ji)各部(bu),防止(zhi)組件(jian)變形(xing)影響(xiang)😍噴流(liu)狀态(tai)。
6.3 清理(li)沾附(fu)在發(fa)熱管(guan)及爐(lu)壁上(shang)的氧(yang)化物(wu)、錫渣(zha),操作(zuo)時要(yao)小心(xin)仔細(xi),不可(ke)用力(li)敲擊(ji)發熱(re)管,以(yi)免安(an)全事(shi)故發(fa)生。
6.4 各(ge)部清(qing)理好(hao)後,裝(zhuang)好噴(pen)流組(zu)件,清(qing)掃爐(lu)體外(wai)部髒(zang)物㊙️。
6.5 松(song)開傳(chuan)動皮(pi)帶,用(yong)手轉(zhuan)動葉(ye)輪側(ce)皮帶(dai)輪,确(que)認轉(zhuan)動是(shi)否🌏輕(qing)松、靈(ling)活,如(ru)不則(ze)需檢(jian)查表(biao)面平(ping)面軸(zhou)承及(ji)内部(bu)普通(tong)軸承(cheng)是否(fou)損壞(huai)。各部(bu)潤滑(hua)狀況(kuang)是否(fou)良好(hao),檢查(cha)皮帶(dai)是否(fou)龜裂(lie)、沾油(you)🈲等。
6.6 确(que)認電(dian)機變(bian)速箱(xiang)内油(you)量是(shi)否充(chong)足,檢(jian)查附(fu)近電(dian)源線(xian)🔅有無(wu)♈燙傷(shang)、破損(sun),電機(ji)變速(su)箱油(you)加至(zhi)視窗(chuang)的2/3即(ji)可,不(bu)能🥰加(jia)滿。
6.7 保(bao)養結(jie)束後(hou),把爐(lu)體搖(yao)入錫(xi)爐,降(jiang)低鏈(lian)爪運(yun)行導(dao)軌。
7、其(qi)它确(que)認事(shi)項:
7.1 錫(xi)爐爐(lu)體的(de)水平(ping)度确(que)認(水(shui)平儀(yi))(略)。
7.2 鏈(lian)爪距(ju)噴流(liu)組件(jian)的高(gao)度在(zai)5~6mm之間(jian)最合(he)适(因(yin)爲端(duan)子高(gao)度💜在(zai)3.0左右(you),基闆(pan)受熱(re)變形(xing),因受(shou)基闆(pan)材質(zhi)、寬度(du)、部品(pin)自重(zhong)、防浮(fu)斜治(zhi)具㊙️等(deng)影響(xiang),變形(xing)程度(du)不一(yi)緻,需(xu)視情(qing)況作(zuo)調整(zheng))。該距(ju)離過(guo)大對(dui)波峰(feng)狀态(tai)影響(xiang)較大(da),因電(dian)機轉(zhuan)速⭕需(xu)提高(gao)。波峰(feng)的穩(wen)定🌈性(xing)變差(cha),同時(shi)錫液(ye)流☀️速(su)快,氧(yang)化物(wu)(錫渣(zha))敢将(jiang)随之(zhi)增加(jia),出現(xian)惡性(xing)循環(huan)。
7.3 保養(yang)結事(shi)後,需(xu)及時(shi)追加(jia)錫條(tiao),因爲(wei)錫量(liang)的多(duo)少直(zhi)🔆接影(ying)🆚響電(dian)🥵機的(de)運轉(zhuan)速度(du),液面(mian)太低(di),将出(chu)現上(shang)記第(di)二項(xiang)的類(lei)似情(qing)況。
(七(qi)) 波峰(feng)狀态(tai)對浸(jin)錫效(xiao)果的(de)影響(xiang)
1、對浸(jin)錫效(xiao)果有(you)影響(xiang)的因(yin)素:
1.1良(liang)好的(de)噴霧(wu)效果(guo)。
1.2穩定(ding)的機(ji)械性(xing)能。
1.3最(zui)佳的(de)浸錫(xi)條件(jian)(速度(du)、角度(du)、預熱(re)及浸(jin)錫溫(wen)度等(deng))。
1.4好的(de)波峰(feng)狀态(tai)。
2、波峰(feng)狀态(tai)對浸(jin)錫效(xiao)果的(de)影響(xiang):
2.1 一級(ji)波峰(feng)
一級(ji)波峰(feng)因噴(pen)流速(su)度快(kuai),在開(kai)啓運(yun)行過(guo)程中(zhong)會産(chan)生較(jiao)多的(de)錫渣(zha),這些(xie)錫渣(zha)會造(zao)成局(ju)部噴(pen)流孔(kong)的堵(du)塞,造(zao)成整(zheng)體噴(pen)流波(bo)峰高(gao)👣低不(bu)平的(de)現象(xiang)。這種(zhong)結果(guo)嚴重(zhong)時将(jiang)會導(dao)緻冒(mao)錫與(yu)未焊(han)錫不(bu)良同(tong)時發(fa)生的(de)情形(xing),給調(diao)試工(gong)作帶(dai)來困(kun)擾。
另(ling)外,一(yi)次噴(pen)流因(yin)是孔(kong)狀噴(pen)射,當(dang)出現(xian)冒錫(xi)情況(kuang)時,對(dui)某些(xie)部品(pin)下面(mian)基闆(pan)開孔(kong)的産(chan)品來(lai)說,品(pin)質隐(yin)患很(hen)大。因(yin)爲它(ta)冒的(de)錫粘(zhan)附在(zai)孔的(de)四周(zhou),因表(biao)面有(you)部🛀品(pin)擋住(zhu)不易(yi)發現(xian),在經(jing)過周(zhou)轉、搬(ban)運過(guo)程中(zhong)這些(xie)錫絲(si)或錫(xi)粒一(yi)旦脫(tuo)落,極(ji)易造(zao)成部(bu)品根(gen)部🔱短(duan)路的(de)現🈲象(xiang)發生(sheng)。因此(ci),我們(men)要盡(jin)量加(jia)強設(she)備保(bao)養頻(pin)度,确(que)保一(yi)級噴(pen)流孔(kong)🏒暢🧑🏾🤝🧑🏼通(tong),波峰(feng)穩定(ding)。避🆚免(mian)上述(shu)情形(xing)的發(fa)生。
2.2 二(er)級波(bo)峰:
産(chan)品浸(jin)錫效(xiao)果的(de)好壞(huai),最關(guan)鍵的(de)地方(fang)之一(yi),就是(shi)二級(ji)波峰(feng)🧑🏾🤝🧑🏼的實(shi)際狀(zhuang)态是(shi)否符(fu)合要(yao)求。二(er)級波(bo)峰影(ying)響浸(jin)錫🎯效(xiao)果的(de)因👅素(su)有以(yi)下🚩幾(ji)點:
2.2.1 波(bo)峰平(ping)穩度(du):
波峰(feng)平穩(wen)度越(yue)高浸(jin)錫效(xiao)果越(yue)穩定(ding),大家(jia)應該(gai)都能(neng)📱理🌏解(jie)。這個(ge)條件(jian)的滿(man)足需(xu)要穩(wen)定的(de)電機(ji)轉速(su)、葉輪(lun)✌️傳動(dong)機構(gou)的同(tong)軸度(du)、葉輪(lun)運時(shi)的平(ping)行度(du)。這三(san)個參(can)🌈數的(de)維持(chi)需要(yao)我們(men)加強(qiang)對該(gai)部傳(chuan)動部(bu)份的(de)保養(yang),确保(bao)潤滑(hua)良好(hao)。軸及(ji)軸承(cheng)配合(he)♉緊密(mi)無磨(mo)損:各(ge)組裝(zhuang)件緊(jin)固無(wu)松動(dong)。
2.2.2 錫液(ye)流速(su):
在基(ji)闆運(yun)行的(de)速度(du)與錫(xi)液流(liu)速保(bao)持一(yi)緻的(de)時候(hou),浸錫(xi)焊❄️點(dian)在與(yu)錫流(liu)面分(fen)離時(shi)将處(chu)于順(shun)暢自(zi)然的(de)狀态(tai),相互(hu)間因(yin)速度(du)不一(yi)緻造(zao)成的(de)浸錫(xi)不良(liang)将會(hui)顯著(zhe)減📱少(shao)。現行(hang)噴流(liu)組件(jian)可以(yi)用調(diao)整後(hou)擋塊(kuai)的高(gao)度、噴(pen)流口(kou)的寬(kuan)度等(deng)方式(shi)改變(bian)波峰(feng)的形(xing)狀和(he)流速(su)🚶♀️。
2.2.3 錫液(ye)前後(hou)分流(liu)效果(guo):
在調(diao)整錫(xi)液流(liu)速的(de)同時(shi),錫液(ye)在噴(pen)咀前(qian)後兩(liang)邊的(de)流量(liang)也會(hui)随着(zhe)變化(hua)。當前(qian)側錫(xi)液流(liu)量偏(pian)大時(shi),如果(guo)浸錫(xi)角度(du)一定(ding)💜的話(hua),波峰(feng)面對(dui)基闆(pan)的沖(chong)擊力(li)會增(zeng)強,對(dui)未焊(han)錫的(de)修正(zheng)或雙(shuang)面基(ji)闆的(de)通孔(kong)上錫(xi)等方(fang)面會(hui)有改(gai)善。但(dan)後側(ce)流量(liang)小、流(liu)速慢(man)将會(hui)破壞(huai)焊點(dian)與錫(xi)面的(de)自然(ran)分離(li)狀态(tai),對短(duan)路的(de)修正(zheng)效果(guo)将減(jian)弱,同(tong)時因(yin)鏈爪(zhao)運行(hang)産生(sheng)的氧(yang)化物(wu)也不(bu)易流(liu)走,而(er)滞留(liu)在波(bo)☀️峰表(biao)面,對(dui)浸錫(xi)效果(guo)也有(you)💃🏻一定(ding)的影(ying)響。
關(guan)于第(di)(2.2.3)點在(zai)此說(shuo)明,隻(zhi)是告(gao)訴大(da)家錫(xi)液前(qian)後分(fen)流狀(zhuang)💞态⛷️對(dui)浸⭕錫(xi)效果(guo)有影(ying)響。可(ke)以在(zai)錫爐(lu)調試(shi)時給(gei)合産(chan)品的(de)實際(ji)狀況(kuang)予以(yi)合理(li)運用(yong),增加(jia)一條(tiao)思路(lu)。
(八)短(duan)路不(bu)良發(fa)生原(yuan)因與(yu)預防(fang)
1、短路(lu)原因(yin):
1.1 大家(jia)做一(yi)下這(zhe)樣的(de)實驗(yan),把一(yi)根頭(tou)發從(cong)水裏(li)豎直(zhi)拿👅出(chu)來的(de)時候(hou),其尖(jian)端會(hui)産生(sheng)一個(ge)水珠(zhu),這是(shi)液體(ti)表面(mian)張力(li)作用(yong)的結(jie)㊙️果。同(tong)樣,部(bu)品浸(jin)錫後(hou)從錫(xi)液面(mian)分離(li)的時(shi)候,端(duan)🛀子會(hui)在尖(jian)端帶(dai)起一(yi)個小(xiao)錫珠(zhu),這個(ge)小錫(xi)珠如(ru)果在(zai)短時(shi)間内(nei)順着(zhe)端子(zi)收縮(suo)且有(you)足夠(gou)的空(kong)間粘(zhan)附,并(bing)且被(bei)助焊(han)劑包(bao)圍隔(ge)離的(de)話,就(jiu)不會(hui)有短(duan)路的(de)發生(sheng)🌈,反之(zhi),就形(xing)成了(le)🐇短路(lu)焊點(dian)。
1.2 液體(ti)還有(you)一種(zhong)物理(li)特性(xing),那就(jiu)是在(zai)表面(mian)張力(li)作用(yong)下會(hui)🔞産生(sheng)毛細(xi)的現(xian)象。比(bi)如說(shuo),兩根(gen)筷子(zi)在近(jin)距離(li)平行(hang)插入(ru)👣水杯(bei)的時(shi)候,兩(liang)筷子(zi)間的(de)水位(wei)會高(gao)于杯(bei)🤞子表(biao)面的(de)水位(wei),這種(zhong)物✍️理(li)特性(xing)在部(bu)品♻️端(duan)子經(jing)過液(ye)面時(shi)會同(tong)🥰樣發(fa)生。它(ta)反映(ying)出來(lai)的結(jie)果也(ye)是短(duan)路産(chan)生。
1.3 溫(wen)度對(dui)短路(lu)的産(chan)生也(ye)有非(fei)常大(da)的影(ying)響。因(yin)爲不(bu)管是(shi)表面(mian)🏒張力(li),還是(shi)毛細(xi)現象(xiang),都與(yu)錫液(ye)的溶(rong)化程(cheng)度有(you)關,錫(xi)液的(de)溫度(du)越🔴高(gao),液✔️化(hua)的程(cheng)度越(yue)深,表(biao)面張(zhang)力表(biao)現出(chu)👄來的(de)自我(wo)收縮(suo)性能(neng)越強(qiang),毛細(xi)現象(xiang)也就(jiu)越💞弱(ruo),短路(lu)現象(xiang)也就(jiu)會因(yin)此變(bian)少。
1.4 短(duan)路産(chan)生的(de)原因(yin)還有(you),基闆(pan)變形(xing)造成(cheng)液态(tai)錫液(ye)在重(zhong)力作(zuo)用下(xia)向低(di)端産(chan)生位(wei)移,從(cong)而造(zao)成基(ji)闆某(mou)些🥵浸(jin)錫點(dian)位經(jing)常🈲短(duan)路,因(yin)爲基(ji)闆變(bian)形的(de)程度(du)由于(yu)許多(duo)原因(yin)不可(ke)能一(yi)緻,所(suo)以反(fan)映出(chu)來的(de)結果(guo)便是(shi)無規(gui)律性(xing)短🌏路(lu)現象(xiang)的發(fa)生。
1.5 于(yu)設備(bei)方面(mian)的原(yuan)因如(ru)助焊(han)劑量(liang)少,塗(tu)布不(bu)均,二(er)級噴(pen)流平(ping)穩度(du)不足(zu)等也(ye)會造(zao)成無(wu)規則(ze)性短(duan)路。
2、短(duan)路的(de)防止(zhi):
★ 通過(guo)上述(shu)原因(yin)分析(xi),可以(yi)知道(dao)短路(lu)産生(sheng)的原(yuan)因是(shi)⭐由于(yu)液體(ti)的物(wu)理特(te)性造(zao)成的(de)。因此(ci),如何(he)避免(mian)這些(xie)造成(cheng)不良(liang)🧑🏽🤝🧑🏻的原(yuan)因,需(xu)🈲要經(jing)過對(dui)各種(zhong)産品(pin)的浸(jin)錫狀(zhuang)态及(ji)現象(xiang)進行(hang)分析(xi)、總結(jie),這并(bing)沒有(you)什麽(me)特定(ding)的防(fang)止措(cuo)施。不(bu)♍過,改(gai)善方(fang)法可(ke)以從(cong)以下(xia)幾點(dian)進行(hang)分析(xi)💰:
2.1 選擇(ze)具有(you)較大(da)焊接(jie)面積(ji)的焊(han)點作(zuo)爲最(zui)後脫(tuo)離液(ye)🏃♂️面的(de)未端(duan),以便(bian)有充(chong)分的(de)空間(jian)吸附(fu)端子(zi)尖端(duan)(或部(bu)品端(duan)子尖(jian))的錫(xi)珠,使(shi)其盡(jin)快收(shou)縮,充(chong)分利(li)用表(biao)面張(zhang)力的(de)特性(xing),消除(chu)短路(lu).
2.2 部品(pin)的位(wei)置、走(zou)向、端(duan)子的(de)長度(du)進行(hang)分析(xi),選擇(ze)較好(hao)的👄浸(jin)錫方(fang)向,盡(jin)量避(bi)免毛(mao)細現(xian)象的(de)發生(sheng)。
2.3 對錫(xi)槽的(de)溫度(du),浸錫(xi)的速(su)度、浸(jin)錫的(de)角度(du)進行(hang)調整(zheng),在滿(man)足客(ke)戶要(yao)求的(de)前提(ti)下,尋(xun)找最(zui)佳浸(jin)錫條(tiao)件。
2.4 盡(jin)量減(jian)少産(chan)品形(xing)變的(de)程度(du),這需(xu)要确(que)保傳(chuan)送機(ji)構的(de)穩定(ding)性⭕,以(yi)及防(fang)浮防(fang)斜治(zhi)具的(de)合理(li)性設(she)計。
二(er)級波(bo)峰的(de)平穩(wen)性以(yi)及噴(pen)霧效(xiao)果的(de)好壞(huai),是所(suo)有浸(jin)錫效(xiao)果确(que)保的(de)根本(ben),也是(shi)設備(bei)因素(su)造成(cheng)短路(lu)的兩(liang)個重(zhong)要原(yuan)因。因(yin)此,如(ru)何确(que)保這(zhe)兩個(ge)系統(tong)的正(zheng)常工(gong)作是(shi)🈲我們(men)日常(chang)技術(shu)工作(zuo)的重(zhong)點。
(九(jiu)) 尖刺(ci)不良(liang)發生(sheng)原因(yin)與預(yu)防
★ 尖(jian)刺不(bu)良發(fa)生原(yuan)因及(ji)防止(zhi)。
1、尖刺(ci)産生(sheng)的原(yuan)因:
1.1 焊(han)點在(zai)脫離(li)錫面(mian)後,因(yin)無助(zhu)焊劑(ji)履蓋(gai)隔熱(re)、快速(su)冷🙇♀️卻(que)、凝固(gu),焊錫(xi)無法(fa)在液(ye)态表(biao)面張(zhang)力的(de)作用(yong)下收(shou)縮、凝(ning)聚,從(cong)而形(xing)成尖(jian)刺。
1.2 抽(chou)風太(tai)大,錫(xi)爐内(nei)部空(kong)氣流(liu)動的(de)速度(du)加快(kuai),在焊(han)點及(ji)助焊(han)劑離(li)開液(ye)面的(de)時候(hou)因空(kong)氣流(liu)動快(kuai)速冷(leng)卻,使(shi)助焊(han)劑的(de)功能(neng)不💔能(neng)充分(fen)發揮(hui),産生(sheng)尖刺(ci)。
1.3 錫爐(lu)的尾(wei)部安(an)裝有(you)冷卻(que)風扇(shan),當浸(jin)錫後(hou)基闆(pan)經過(guo)時,冷(leng)卻風(feng)吹到(dao)基闆(pan)背面(mian)向兩(liang)邊擴(kuo)散,向(xiang)錫爐(lu)内側(ce)擴散(san)的冷(leng)風将(jiang)同第(di)2項原(yuan)因一(yi)樣,使(shi)此時(shi)過波(bo)峰的(de)産品(pin)快速(su)冷卻(que),産生(sheng)尖刺(ci)。
1.4 部分(fen)部品(pin)端子(zi)太長(zhang),在焊(han)點根(gen)部離(li)開錫(xi)面開(kai)始冷(leng)卻時(shi),其端(duan)💚子尖(jian)端尚(shang)在錫(xi)液裏(li),從而(er)因時(shi)間差(cha)異産(chan)生尖(jian)💁刺。
1.5 部(bu)品端(duan)子太(tai)粗,銅(tong)箔面(mian)積大(da)、散熱(re)快,如(ru)果浸(jin)錫時(shi)間不(bu)🆚足,其(qi)強💰大(da)的散(san)熱功(gong)能将(jiang)緻焊(han)點在(zai)瞬時(shi)凝固(gu)成形(xing),緻部(bu)品📐端(duan)子😍尖(jian)産生(sheng)尖刺(ci)。
2、預防(fang):
從以(yi)上原(yuan)因可(ke)以知(zhi)道,尖(jian)刺産(chan)生的(de)根本(ben)原因(yin)是焊(han)點冷(leng)卻太(tai)早,因(yin)此,我(wo)們可(ke)以用(yong)增加(jia)助焊(han)劑量(liang),适當(dang)減少(shao)冷卻(que)時間(jian),切短(duan)端子(zi)長度(du),延長(zhang)浸錫(xi)時間(jian),确保(bao)浸錫(xi)溫度(du),減少(shao)排風(feng)量等(deng)措施(shi)加以(yi)改善(shan)。
文章(zhang)整理(li):昊瑞(rui)電子(zi)/
Copyright 佛山(shan)市順(shun)德區(qu)昊瑞(rui)電子(zi)科技(ji)有限(xian)公司(si). 京ICP證(zheng)000000号
總(zong) 機 :0757-26326110 傳(chuan) 真:0757-27881555 E-mail: lucky1258@126.com
地(di) 址:佛(fo)山市(shi)順德(de)區北(bei)滘鎮(zhen)偉業(ye)路加(jia)利源(yuan)商貿(mao)中心(xin)8座北(bei)翼5F 網(wang)站技(ji)術支(zhi)持:順(shun)德網(wang)站建(jian)設